熱線:021-66110810,66110819
手機:13564362870

熱線:021-66110810,66110819
手機:13564362870
腦科學研究一直是生物科學的重點研究領域。近年來,許多研究開始集中在腦電信號分析方法上以了解大腦活動的工作機制。為得到更加真實和全面的數據,生物電信號通常需要多條采集通道進行采集。
傳統的腦電信號采集系統中將生物電信號在放大器正負端同時進行斬波調制,而由于放大器負端已經因為接入參考電極而引起了輸入阻抗衰減,在負端進行斬波再次引起了輸入阻抗的衰減,造成放大器正負端的輸入阻抗不匹配,使得系統共模抑制比降低。
一種應用于生物電信號采集芯片的多通道雙路斬波方法
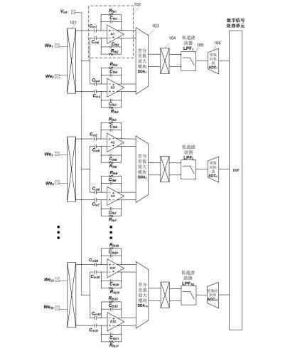
獲取穿戴于顱外的微電極腦電檢測設備上工作電極采集到的腦電信號,將所述腦電信號按照相鄰電極的最短距離進行兩兩組合,得到多組雙路腦電信號;同時采集所述微電極腦電檢測設備上參考電極的基準信號;
分別將各組所述雙路腦電信號輸入對應的斬波調制單元進行雙路斬波調制,并將斬波調制后的各組雙路腦電信號輸入到對應的各路全差分信號放大模塊的同相輸入端,以及將所述基準信號輸入各所述全差分信號放大模塊的反相輸入端進行信號放大,得到各組雙路腦電信號的放大信號;
將各組所述雙路腦電信號的放大信號傳輸至差分差值放大模塊進行信號交叉比較,輸出得到各組交叉比較后的腦電信號;
將各組所述交叉比較后的腦電信號分別輸入到對應的斬波解調單元進行斬波解調,并將斬波解調后的腦電信號輸入低通濾波器進行噪聲濾波,輸出得到目標腦電信號。
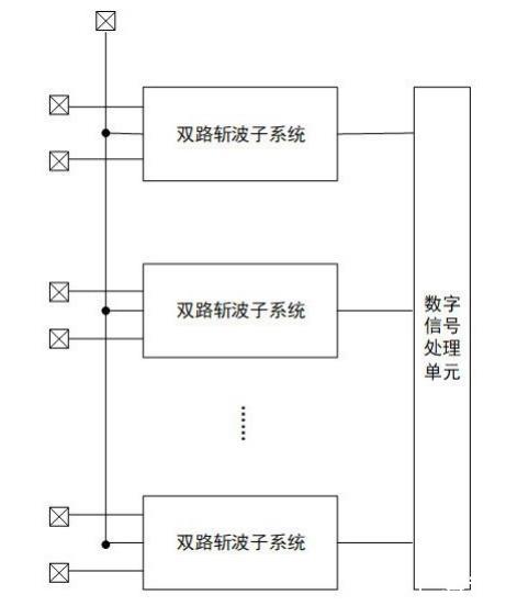
注:微電極腦電檢測系統包括工作電極、參考電極以及如上述圖1所述所述的多通道雙路斬波系統。
上述應用于生物電信號采集芯片的多通道雙路斬波方法以及系統,通過將腦電信號兩兩組合并進行斬波調制,將調制后的雙路腦電信號均傳遞至對應通路的全差分信號放大器的同相輸入端,所有的反相輸入端統一接參考電極的基準信號,對各組雙路腦電信號進行信號放大,使得輸入阻抗均衡,有效解決了正負端輸入阻抗不匹配的問題,提高了腦電信號的共模抑制比。
相關新聞